Product Summary
The SuperVerter module SV48-26-225 is a high density DC-DC converter designed for use in distributed power architectures, workstations, EDP equipment, and telecommunication appliciations. The surface mount construction uses a metal baseplate and planar transformers to produce up to 240W in a half brick package. The SuperVerter module SV48-26-225 is a suitable replacement for all industry standard half brick modules.
Parametrics
SV48-26-225 absolute maximum ratings: (1)Input Voltage: 80 Vdc max ; (2)Transient Input Voltage: 100 max Vdc at 100ms max; (3)Input/Output Isolation: 1500 Vdc max; (4)Operating Case Temperature: -40 to 100℃; (5)Storage Temperature: -40 to 110℃.
Features
SV48-26-225 features: (1)High Power Density - Up to 85W/in3; (2)Constant Frequency - 370kHz; (3)-40 to +100℃ Operation; (4)Over Temperature Protection (Except 50W and 75W); (5)High Efficiency: 86% Typical; (6)Low Output Noise; (7)Industry-Standard Pinout; (8)Metal Baseplate; (9)2:1 Input Voltage Range; (10)Over Voltage Protection; (11)Current Limit/Short Circuit Protection; (12)Adjustable Output Voltage: 60% to 110% of V0,set; (13)Remote Sense; (14)Logic ON/OFF; (15)Safety Agency Approval.
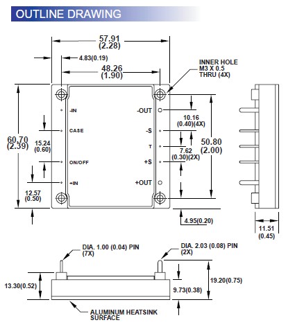
Diagrams

(China (Mainland))






