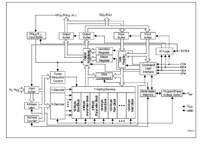
Product Summary
The PA28F400B5T80 is an Intels Smart 5 boot block flash memory. It provides 2-, 4-, and 8-Mbit memories featuring high-density, low-cost, nonvolatile, read/write storage solutions for a wide range of applications. Its asymmetricallyblocked architecture, flexible voltage, and extended cycling provide highly flexible components suitable for embedded code execution applications, such as networking infrastructure and office automation. Based on Intels boot block architecture, the Smart 5 boot block memory PA28F400B5T80 enables quick and easy upgrades for designs that demand state-of-the-art technology. The PA28F400B5T80 comes in industrystandard packages: the 40-lead TSOP for very space-constrained 8-bit applications, 48-lead TSOP, ideal for board-constrained higher-performance 16-bit applications, and the rugged, easy to handle 44-lead PSOP.
Parametrics
PA28F400B5T80 absolute maximum ratings: (1)Commercial Operating Temperature: During Read/Erase/Program: 0 ℃ to +70 ℃; temperature Under Bias: –10 ℃ to +80 ℃; (2)Extended Operating Temperature: During Read/Erase/Program: –40 ℃ to +85 ℃; temperature Under Bias: –40 ℃ to +85 ℃; (3)Storage Temperature: –65 ℃ to +125 ℃; (4)Voltage on Any Pin(except VCC, VPP, A9 and RP#) with Respect to GND: –2.0 V to +7.0 V(2); (5)Voltage on Pin RP# or Pin A9 with Respect to GND: –2.0 V to +13.5 V(2,3); (6)VPP Program Voltage with Respect to GND during Block Erase and Word/Byte Program: –2.0 V to +14.0 V; (7)VCC Supply Voltage with Respect to GND: –2.0 V to +7.0 V; (8)Output Short Circuit Current: 100 mA.
Features
PA28F400B5T80 features: (1)SmartVoltage Technology: Smart 5 Flash: 5 V Reads, 5 V or 12 V Writes; Increased Programming Throughput at 12 V VPP; (2)Very High-Performance Read: 2-, 4-Mbit: 60 ns Access Time; 8-Mbit: 70 ns Access Time; (3)x8 or x8/x16-Configurable Data Bus; (4)Low Power Consumption: Max 60 mA Read Current at 5 V; Auto Power Savings: <1 mA Typical Standby Current; (5)Optimized Array Blocking Architecture: 16-KB Protected Boot Block; Two 8-KB Parameter Blocks; 96-KB and 128-KB MaiBlocks; Top or Bottom Boot Locations; (6)Extended Temperature Operation: –40 ℃ to +85 ℃; (7)Industry-Standard Packaging: 40, 48-Lead TSOP, 44-Lead PSOP; (8)Extended Block Erase Cycling: 100,000 Cycles at Commercial Temp; 10,000 Cycles at Extended Temp; (9)Hardware Data ProtectioFeature: Absolute Hardware-Protectiofor Boot Block; Write Lockout during Power Transitions; (10)Automated Word/Byte Program and Block Erase: Command User Interface; Status Registers; Erase Suspend Capability; (11)SRAM-Compatible Write Interface; (12)Reset/Deep Power-DowInput: Provides Low-Power Mode and Reset for Boot Operations; (13)Pinout Compatible 2, 4, and 8 Mbit; (14)ETOX Flash Technology: 0.6 u ETOX IV Initial Production; 0.4 u ETOX V Later Production.
Diagrams

![]() |
![]() PA28PL28D |
![]() EETools |
![]() Sockets & Adapters 28PIN PLCC TO 28PIN DIP SOCKET ADAPTER |
![]() Data Sheet |
![]()
|
|
||||||
![]() |
![]() PA28SO28D-EO-300 |
![]() EETools |
![]() Sockets & Adapters DIP28/SOIC28 |
![]() Data Sheet |
![]() Negotiable |
|
||||||
![]() |
![]() PA28S01-08-3 |
![]() |
![]() ADAPTER 28-SOIC TO 28-DIP |
![]() Data Sheet |
![]()
|
|
||||||
![]() |
![]() PA28S01-08-6 |
![]() |
![]() ADAPTER 28-SOIC TO 28-DIP |
![]() Data Sheet |
![]()
|
|
||||||
![]() |
![]() PA28SS-OT-6 |
![]() |
![]() ADAPTER 28-SSOP TO 28-DIP |
![]() Data Sheet |
![]()
|
|
||||||
![]() PA28SS-P55 |
![]() |
![]() ADAPTER 28-SSOP TO 28-DIP |
![]() Data Sheet |
![]()
|
|
|||||||
(China (Mainland))












